
Speicher ICs / Rom / Prom / EProm / RAM
Richtig
in die Computertechnologie steigt man ein, wenn es um Rhythmen aus Speicher
ICs geht, sogenannten ROMs oder EProms. ROM bedeutet Read Only Memory, also
"Nur lese Speicher". Er wird bei der Fertigung bereits mit den Daten
die er liefern soll versorgt. Ein PROM ist ein "Programmable Read only
Memory". Der wird gefertigt und dann unabänderlich programmiert. Ein
EProm ist ein "Eraseble Programmable Read Only Memory". Das heisst
es kann nach Programmierung mit UV Licht wieder gelöscht werden und neu
programmiert werden. Ist nur was für den Bastler, für den gemeinen
Rhythmus Box Anwender spielt es keine Rolle aus welch einem Speicher die Rhythmen
kommen.
Der
Bastler hat aber die Möglichkeit z.B. eine Korg KR55 zu einer KR55b umzubauen
und erhält somit doppelt soviele Rhythmen. Die Maschinen sind nämlich
identisch, nur des ROM ist größer. Mit Hilfe eines einzigen Schalter,
der die Adressierung des Speicherplatzes ändert, können so nochmal
soviele zusätzliche Rhythmen ausgelesen werden. Geht übrigens auch
beim Alesis HR16 und dem HR 16B. Nur das da der EProm statt Rhythmen Instrumentensounds
eingespeichert hat. Leider ist das ROM im KR55 nicht gesockelt, sondern eingelötet,
aber im Netz der Netze findet sich einiges als "*.Bin File" bezeichnetes,
das sich selbst brennen lässt.
Roms. Proms und EProms kann man mit einem Brenner und der dazugehörigen Software selbst brennen, aber auch auslesen, kopieren und editieren. Am besten über einen PC Brenner , der mit dem Drucker Port oder USB auskommt und passender aktueller Software.

Als Beispiel für ein EProm gesteuertes Rhythmusgerät hab ich das Fricke MFB501 genommen. Weil ich da halt zufällig den Schaltplan von hab ;-)
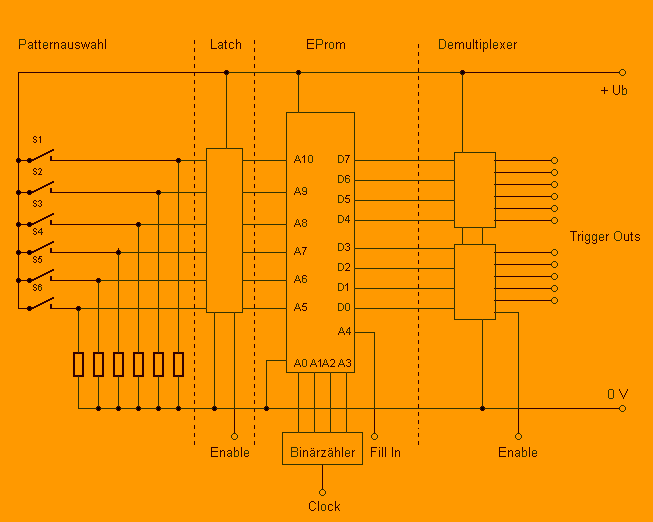
In
der Mitte das Grosse ist das ROM/Prom oder EProm. Der liebe Gott hat es so gemacht,
das diese Speicherbausteine grossteils untereinander austauschbar sind und kompatible
PIN Belegung haben. Sogar mit RAMs (Read and Write Memory). Es muss Gott gewesen
sein....
Der Taktgenerator steuert einen Binaerzaehler an (siehe oben), soweit ist alles
beim Alten. Er zählt von 1-16 oder soweit wie man ihn zählen lassen
will (durch Impuls am Reset Eingang). An den Ausgängen D0 bis D7 stehen
jetzt allerdings Daten an, die vorher auf den Speicherplatz programmiert wurden.
Das ist neu. Und weil so ein Speicher IC mal locker mehr als 16 Plätze
speichern kann, kann man an den restlichen Adresseingängen A5 bis A10 (bei
grösseren Speichern auch mehr) den Speicherbereich umschalten. Deswegen
sieht man bei den Fricke Geräten auch immer soviele Schalter ohne Bezeichnung.
Die Patternbezeichung als solches liest man sich anhand der Schalterstellung
aus einer Tabelle ab.
Es fällt noch der Adresseingang A4 auf. Dieser wird von einer speziellen
Logik angesteuert und sorgt dafür das ein Break abwechselnd, als jeweils
4. Takt oder per Tastendruck eingesetzt wird. Somit sind für alle Rhythmen
ein eigener Break der gleiche Länge vorhanden.
Die 6 Schalter sorgen für 64 Schalterkombinationen und somit auch für
64 Rhythmen Pattern. Damit man beim verstellen der Adressschalter nicht während
eines laufenden Rhythmus umschalten kann, liegt diese Information an einem Latch
an. Die Information der Eingänge wird bei einem Latch über den Enable
Eingang an die Ausgänge durchgeschaltet und gespeichert. Wird der Enable
Eingang immer zum Taktanfang angesteuert, wechselt der Rhythmus auch immer nur
zum Taktanfang. Wenn man diese Logik ändert hätte man noch weitere
Möglichkeiten komplexere Rhythmen zu erzeugen. Also ab den 3. Schlag im
Takt die nächsten 4 Schläge eines anderen Taktes anfügen um dann
wieder die restlichen Schläge des ursprünglichen Taktes auszulesen.
In vielen Fällen wird da sehr viel Unsinn bei rauskommen. Also lieber die
Finger weg, 64 Rhythmen sind genug ;-)
Circuit Bendern sei aber gesagt, dass sich die Sync Ausgänge hervorragend eignen die Adresseingänge automatisch zu manipulieren. Auch das Austauschen des Eproms durch irgend ein altes BIOS Eprom oder aus einem Drucker oder einer Telefonanlage führt zu Erfolgen die des CBs Herz erfreuen. Nur meist nicht das der Umwelt!
Wenn
man jetzt noch genau hinschaut haben wir 2 Kästen vergessen zu beschreiben
und zwar die ganz rechts vom EProm. Nachdem wir einen 8 Bit Speicher haben und
somit 8 Ausgänge, können wir auch nur 8 Instrumente ansteuern. Das
genügt meist auch, aber nicht so Herrn M. F. aus B.. Ganze 11 Instrumente
besitzt der MFB 501, auch wenn nur 9 gemutet werden können. Dazu gehört
ein Doppeltes Bass Drum um Accent Effekte zu erzielen.
Wie macht man nun aus 8 Bit 11 Ausgangssignale? Das geht hier über einen
Multiplexer. Je 2 Bits werden zusammengefasst und können für verschiede
Ausgangszustände an 3 Ausgängen sorgen. Um das ganze zeitlich abzustimmen,
d.h. die Eingangsinformation soll an die Ausgänge übernommen und gespeichert
werden, ist auch hier ein Enable Eingang vorgesehen, der dies steuert. Die zwei
hier verwendeten CMos IC CD4556 besitzen je 2 Demultiplexer. So macht man aus
8 = 11 ;-)
Programmierbar wird es mit einem RAM
Nimmt man statt einem EProm ein RAM (Read and Write Memory) kann man nicht nur Daten auslesen, sondern auch selbst einspeichern. Für kurze Zeit gab es kleine programmierbare Rhythmusgeräte wie den Soundmaster SR-88 oder den Boss DR55 . Diese Geräte wurden sozusagen um ein 4Bit RAM herum gebaut. Anhand des DR 55 Blockschaltbildes versuche ich mal die Funktionsweise zu erklären:

Auch hier erstmal ein Binärzähler der die Adressen A6, A5, A0 und A1 ansteuert. Macht 16 Schritte und damit die höchstmögliche Auflösung. Der Adresseingang A7 wurde wieder für eine Break Funktion missbraucht, wobei die A/B Variation durch den 2. Binärzähler des CD 4520 Bausteins angesteuert wird. Dieser wird nur als Flip Flop genutzt und ist der Übersicht halber nicht im Blockschaltbild eingezeichent. Im Prinzip wird ja nur durch ein Hi oder Lo Signal die Speicheradresse umgeschaltet und man bekommt so entweder 2 Speicherplätze zu 16 Schritten oder einen Speicherplatz zu 32 Schritten. Nachdem wir einen 8fach Schalter und den A/B Variations Schalter haben können wir also insgesamt 16 Rhythmen speichern. Die letzten 2 (bzw. 4) Speicherplätze sind allerdings so geschaltet, dass sie nach 12 Schritten wieder von vorn anfangen, also für 3/4 oder 6/8 Takte genutzt werden können. Dies wurde im Blockschaltbild durch eine Verbindung des Wahlschalters mit dem Reset Eingang des Binärzählers dargestellt. Entfernt man die Verbindung oder schaltet man mittels Dioden eine andere Kombination der Teilerausgänge an den Reset Eingang, werden auch ungerade Taktmaße möglich.
Der 8fach Schalter ist ein normaler Drehschalter, der mittels Diodennetzwerk eine 3 Bit Binär Codierung simuliert. Das heisst die Adresseingänge A2, A3 und A4, die den Rhythmus auswählen könnten wie bei den MFB Geräten auch durch 3 Kippschalter ersetzt werden. Sinniger wäre es aber die Kippschalter eines MFB Gerätes durch einen Drehschalter mit Binärcodierung zu ersetzen. Allerdings bekommt man 64 stufige Drehschalter ziemlich schwer, wenn überhaupt.
Im Play Mode wird der Binärzähler durch einen stetig laufenden Taktgenerator angesteuert. Dieser wird durch ein Flip Flop und den entsprechenden Tasten gesteuert. Im Write Mode wird das RAM beschreibbar geschaltet und der Taktgenerator abgeschaltet. Der Rhythm Select Schalter und A/B Variations Schalter stellt den Speicherplatz ein in dem ein Adressbereich ausgewählt wird.

DR 55: Links der 8fach Schalter mit Dioden. Oben die 2 Taster und der RAM im
22 Pin Gehäuse
Steht erst mal die Adresse fest wird mittels Start und Stop Taster je ein Impuls für den Binärzähler erzeugt und je nach gedrückter Taste ein Hi oder Lo an den Dateneingang DI des RAM gelegt. Der Clock Enable bekommt ein minimal verzögertes Clock Signal, dass der HI Zustand bei Übernahme in den Speicherplatz auch sicher gestellt ist. Bei Zählerstand 0 des Binärzählers leuchtet eine LED um den Taktbeginn anzuzeigen. Schritt 16 entspricht dem Schritt 0 damit man eine optische Kontrolle bei der Programmierung hat. Im Play Betrieb signalisiert die LED den Downbeat. Theoretisch wäre es möglich die 4 Dateneingänge parallel anzusteuern und z.B. mit 4 Kippschaltern Schritt für Schritt einzugeben. Aber dazu wären eben 4 Kippschalter notwendig, für die weder Platz noch Lötstellen vorgesehen sind.
Die beim Write Mode gespeicherten Daten werden im Play Mode wieder an die Datenausgänge DO gelegt und steuern direkt die Instrumente an. Beim DR55 sind es derer drei und ein Ausgang steuert den Accent. Dieser Ausgang wird auch als Trigger Out nach aussen geführt und kann dann diverse externe Tonerzeuger ansteuern. Die Irreführende Bezeichung Trigger Out führt als ein programmiertes Signal und keinen regelmässigen Takt wie der Clock Out.
Beim Soundmaster SDR-88 wird statt dem Accent das HiHat angesteuert, dafür entfällt der Accent. Geräte dieser Art wurden zwar nicht lang gebaut, aber es gibt doch einige unterschiedliche Hersteller bzw. Vertriebe die Geräte dieser Bauart auf den Markt brachten.

SR88 Platine, oben links die 2 Taster, darunter das RAM 5101
Hierbei sei noch anzumerken, dass am DO kein Impuls anliegt, sondern ein festes Potential. Dies macht sich beim programmieren bemerkbar, wenn der Audio Out noch aufgedreht und mit Verstärker verbunden ist. Dadurch, dass die Snare (beim SR88 auch die HiHat) ständig ein Hi am Eingang liegen haben, schliesst das Rauschgatter nicht und man steht in einer Rauschwolke bis man endlich einen Step programmiert, der ein Lo an die Geräte ausgibt. Das passiert nur im Write Mode. Im Play Mode wird nach Stoppen des Gerätes durch einen Reset der Binärzähler auf 0 gestellt und die DO Ausgänge sind Lo.
Um den RAM Inhalt zu sichern wird eine Batterie benötigt. Eine Steckernetzteilbuchse ist zum Schutz vor auslaufenden und explodierenden Batterien von der Batterie mittels Schalter (in der Buchse) und Diode entkoppelt. Eine Stromversorgung des RAMs durch das Netzteil findet nicht statt. Sind keine (vollen) Batterien im Gerät, wird das Gerät auch nix speichern auch wenn noch soviel Netzteil angeschlossen ist. Das hätte man sicher durch eine Lithium Knopfzelle lösen können, aber die Geräte verbrauchen auch in Betrieb so gut wie keinen Strom und billiger ist es auch.
Diese Geräte bestechen auch durch ihren "billigen" Aufbau. Es wurden auch auf andere Schutzvorkehrungen verzichtet, so sind die Trigger Ausgänge und der Fussschaltereingang ungeschützt direkt mit CMos IC´s verbunden. Ein falscher Stecker, eine statische Aufladung und schon kaputt. Den Binärzähler ist ersetzbar, das RAM mittlerweile nur noch schwer und für viel Geld erhältlich. Im obigen Bild des SR88 wurde ein IC links (CD 4011, 4 fach Nand mit 2 Eingängen) ausgelötet und mit Sockel ein Neuer eingesetzt. Materialwert um 1 Euro. Der Chip wäre aber vermutlich nicht defekt, wenn der Triggerausgang mit Miniklinke nicht unmittelbar an den Eingang des IC´s geführt worden wäre, sondern die ein oder andere Diode zum Schutz davor geschaltet wurde. So war die Buchse ideal für die Einspeisung einer Spannung via Steckernetzteil. Und wenn das zuviel wird is fuuutsch....
Der Mikroprozessor
Die letzte Möglichkeit der Rhythmenerzeugung ist der Mikroprozessor. Der kann ja alles was man ihm programmiert und mit den entsprechen passenden Peripherie Bausteinen und Software sind wir im Bereich Drumcomputer angelangt. Der soll hier nicht zum Thema werden, da man recht wenig selbst machen kann und darüber genug im Netz zu finden ist.

Trotzdem hier ein Beispiel der CRB Computer Drums. Das Gerät ist komplett vom Micro Controller Intel 8035 gesteuert. Rechts im Bild, der große Käfer, ist der Prozessor. Er wird mit einem einfachen Taktgenerator aus Logik Gattern und ohne Quartz getaktet. Daneben ein paar Peripherie Bausteine, bzw. Pufferstufen für die Schalter Eingänge. Es folgen 2 Eproms die auch durch ein einziges größeres ersetzt werden können. Ich denke hier sind die Preset Rhythmen gespeichert. Mitte Links der grössere Käfer ist ein ROM mit dem Betriebssystem.
Ein Mikroprozessorsystem ist immer gleich aufgebaut. Kern ist die CPU, der Mikrocontroller oder auch Mikroprozessor. Er hat diverse Eingänge die er nach Logikpegeln oder Daten abfragen kann. Daneben gibt es einen Datenbus, auf dem er Daten ausgibt oder empfängt. Der Adressbuss gibt dabei die Adressen der externen Speicher an, deren Daten dann auf den Datenbus gesetzt werden. Ein Steuerbus kann dann noch die entsprechenden Datenflussrichtungen oder Peripheriebausteine aktivieren oder deaktivieren. Damit der Prozessor weiss was zu tun ist braucht er ein Programm, das Betriebssystem. Er fragt dann an seinen Eingängen ständig die Zustände ab und das Programm sagt dem Prozessor wie er sich zu verhalten hat, wenn entsprechende Eingänge mit entsprechenden Signalen belegt sind. Das alles ist frei prgrammierbar und macht einen Prozessor oder Controller so individuell, aber eben auch Programm abhängig.

Der CRB fragt nur nach der Start/Stop Taste und welche Rhythmustaste gedrückt ist. Bei Start liesst er die Daten aus dem EProm Bereich, die der entsprechend gedrückten Rhyhtmus Taste zugeordnet ist. Wird eine andere Rhythmustaste oder die Break Taste gedrückt wird auf den anderen Speicherbereich umgeschaltet. Normalerweise arbeitet so ein System noch mit einem variablen Arbeitsspeicher um Rechenergebnisse oder Zustandsänderungen an Eingängen oder Peripherie zu erkennen, aber so kompliziert wollte es CRB nicht haben. In so einen (Flüchtigen) Arbeitsspeicher könnte man selbst programmierte Rhythmen speichern, dazu wären aber mehr Schalter/Taster und eine kompliziertere Software notwendig. Auch Arbeitsspeicher war zu dieser Zeit noch teuer und eben flüchtig. Ein Akku oder eine Lithium Batterie wären nötig gewesen. Heute weiss man, dass dies nicht die besten Möglichkeiten einer dauerhaften Speicherung sind, da Akkus oder Batterien dann leer werden oder auslaufen, wenn es eben gerade nicht passt. Ausserdem zerfrisst die Batterie Säure die Leiterbahnen und das Gerät ist meist zerstört.

CR 78 Akku. An den reparierten Leitebahnen sieht man, dass das nicht das erstemal
ist ;-)
Die zerstörten Leiterbahnen machen sich im Fehlen diverser Instrumente
bemerkbar.
Nun zur Ansteuerung der analogen Sounds des Gerätes. Links sind auf jeder Platine ein Drum Sounds untergebracht. In der Mitte ist ein eigener Taktgenerator, was in einem Prozessor System nicht notwendig ist, aber zu der Zeit exakter arbeitete, als ein Prozessor Takt generierter Rhythmus und eine Hardware basierte Sync Nachrüstung möglich macht ohne in die Software des Gerätes eingreifen zu müssen. Auch die CR78, TR808 und DR110 arbeiten noch mit eigenen Taktgeneratoren um prozessorbedingte Verzögerungen und Timingschwankungen zu vermeiden. Vorteil ist die Synchronisierung mit dem Roland Din Sync.
Rechts dann das aufwendig verkabelte Interface uP zu Analog Drum Trigger. Hier wird direkt auf den Datenbus zugegriffen und die anstehenden Daten in Latches und Tri State Gattern zwischen gespeichert, bis der Taktgenerator sie abfragt und aus den Hi Signalen Triggerimpulse formt. Die CRB dient hier als übersichtliches Beispiel eines Mikroprozessor gesteuerten Rhythmusmaschine, da sie ohne Arbeitsspeicher und spezielle Interface Bausteine auskommt. Wenn man dann aber berücksichtigt was die Maschine alles kann kommt man schnell zu dem Schluss, dass eine Prozessorsteuerung viel zu aufwendig und teuer ist und mit üblichen Mitteln sicherlich einfacher hätte realisiert werden können. Die Rhythmen klingen schon etwas aufwendiger als üblich, aber die Eproms hätten auch wie bei den Fricke Maschinen ohne aufwendige Prozessor Steurung ausgelesen werden können.

Emu Drumulator, komplett 8 Bit Prozessor gesteuert. Akku, RAM (6116) und EProms
Als die Speicher IC´s immer günstiger und größer wurden und die Prozessoren immer schneller, ging man dazu über möglichst alle Funktionen eines Rhythmusgerätes über die CPU zu steuern. Das wären die Abfragen der Bedienelemente, die Display Steuerung und Tempo Anzeige, das verwalten selbst programmierter Rhythmen (Patterns) und deren zeitliche Abfolge (Songs) und zu guter letzt das generieren Digital Abgespeicherter Natur Drum Sounds (Samples) und das abmischen im Gesamt Klangbild. Zu den Batterie gepufferten Speicher RAMs kamen bald Disketten- und später Festplattenlaufwerke. Optionale Eprom Brenner für Sound Sampling und Midi oder Scasi Schnittstellen zur Datenübertragung und Austausch verschiedener Geräte. Vor allem die Synchronisation war bei Rhythmusgeräten wichtig und Midi , wie auch der Roland Din Sync waren entscheidende Schritte zur Zusammenarbeit unterschiedlicher Fabrikate.
Im Gegenzug kamen immer mehr Heimcomputer wie der Commodore C64/Amiga und der Atari 800XL/1040 und die ersten PC´s mit 286er Prozessoren und Soundblaster Soundkarte auf den Markt für die es auch bald Programme gab mit denen man Rhythmen erzeugen konnte.
1.
Die Trommeln (Toms, Snare, Bass Drum, Bongo, Conga usw)
2.
Das Blech (Crash und Ride Becken, Hi Hat usw. )
3..
Die Percussion Instrumente (Holz, Cowbell, Tambourine, Hand Clap usw.)
4.
Noch mehr Percussion Instrumente (Maracas, Quijada, Guiro, Metal Beat)
5.
Die Rhythmenerzeugung (Mechanisch, Diodennetzwerk, ROM)
7.
Taktgenerator (Start/ Stop, Synchronisation, Din
Sync.)
8.
Das Signal (Mischverstärker, Einzelausgänge usw.) und der der Saft (Netzteile: Aufzucht und Hege)
9.
Digitale Klangerzeugung
10
Zu guter Letzt